Arduino Uno Diagram - Arduino Uno R3 Microcontroller Specifications And Pin Diagram - The atmega328p microcontroller is the main chip of the arduino board.

Arduino Uno Diagram - Arduino Uno R3 Microcontroller Specifications And Pin Diagram - The atmega328p microcontroller is the main chip of the arduino board.. Building an arduino cnc machine: The following image shows the layout of a typical arduino uno board. The arduino uno is one kind of microcontroller board based on atmega328, and uno is an italian term which means one. The arduino uno wifi rev 2 is the easiest point of entry to basic iot with the standard form factor of the uno family. After your code is compiled using arduino ide, it should be uploaded to the main microcontroller of the arduino uno using a usb connection.

The atmega328p microcontroller is the main chip of the arduino board. Following is the schematic diagram of the dc motor interface to arduino uno board. Hi arduino community, i am looking for an interactive piece of software that my students and i will be able to use to create simple schematics of our projects. Arduino uno is an electronic experimental board. Arduino uno reference design usb boot en tm reference designs are provided as is and with all faults.

Eeprom Write Arduino
Eeprom Write Arduino from www.arduino.cc
Arduino uno is a microcontroller board based on the atmega328p ( datasheet ). Arduino uno is an electronic experimental board. The board is equipped with sets of digital and analog input/output (i/o) pins that may be interfaced to various expansion boards (shields) and other circuits. Pighixxx february 1, 2013, 2:07pm #2. At the top of the arduino uno board, there. The circuit diagram for the arduino stepper motor control project is shown above. This arduino uno pinout diagram reference will hopefully help you get the most out of this board. The guide also discusses different communication protocols used by the arduino and a detailed diagram of the arduino uno board.

Arduino disclaims all other warranties, express or implied, arduino may make changes to specifications and product descriptions at any time, without notice.

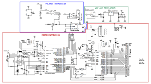
Here the arduino uno schematic diagram (click to enlarge): The circuit diagram for the arduino stepper motor control project is shown above. And the next pic clearly specify the pin diagram of atmega168 ic which is the main thing which controls the working of arduino uno board. The arduino uno is one kind of microcontroller board based on atmega328, and uno is an italian term which means one. It has 14 digital input/output pins (of which 6 can be used as pwm outputs), 6 analog inputs, a 16 mhz quartz crystal, a usb connection, a power jack, an icsp header and a reset button. After your code is compiled using arduino ide, it should be uploaded to the main microcontroller of the arduino uno using a usb connection. Arduino uno pinout, pin diagram, specifications and features in detail. Aeolusricky april 19, 2021, 2:27pm #1. I'll make it available soon. And today, this can be the primary image: The arduino uno is arguably the most popular arduino board currently available. It has 14 digital input/output pins (of which 6 may be employed as pwm outputs), 6 analog inputs, a 16 mhz crystal oscillator, a usb connection, a power jack, an icsp header, along with a reset button. Before we can understand the uno's hardware, we must have a general overview of the system first.

The following image shows the layout of a typical arduino uno board. Power supply, analog and digital pins and icsp. The arduino uno is arguably the most popular arduino board currently available. The board is equipped with sets of digital and analog input/output (i/o) pins that may be interfaced to various expansion boards (shields) and other circuits. Arduino stepper motor position control circuit diagram and explanation:

Arduino Uno
Arduino Uno from xerocrypt.github.io
The mapping for the atmega8, 168, and 328 is identical. Arduino uno pinout, pin diagram, specifications and features in detail. Here the arduino uno schematic diagram (click to enlarge): Using eagle schematic learn sparkfun com. The power supply of the arduino can be done with the help of an exterior power supply otherwise usb connection. It contains everything needed to The board has 14 digital i/o pins (six capable of pwm output), 6 analog i/o pins, and is programmable. I'm working on a new improved version:

Here the arduino uno schematic diagram (click to enlarge):

Arduino uno is programmed using arduino programming language based on wiring. Using eagle schematic learn sparkfun com. Other than that, rest is identical in both the boards. It has 14 digital input/output pins (of which 6 can be used as pwm outputs), 6 analog inputs, a 16 mhz crystal oscillator, a usb connection, a power jack, an icsp header, and a reset button. At first you use mainly the pins in the female headers at Pighixxx february 1, 2013, 2:07pm #2. We'll see the working of the mosfet and the role it plays in the arduino uno power supply system below. The guide also discusses different communication protocols used by the arduino and a detailed diagram of the arduino uno board. The arduino uno pinout guide includes information you need about the different pins of the arduino uno microcontroller and their uses: The following image shows the layout of a typical arduino uno board. Arduino uno pin & components labels arduino programming language arduino programming guide arduino programming tutorial. Arduino stepper motor position control circuit diagram and explanation: The board is equipped with sets of digital and analog input/output (i/o) pins that may be interfaced to various expansion boards (shields) and other circuits.

Laminate the sheet and punch. The mapping for the atmega8, 168, and 328 is identical. One of the perks that make arduino uno quite popular among the hobbyists and beginners is its easy to use programming language and programming. Arduino uno is an electronic experimental board. On the arduino boards with the r3 layout 10 pinout the sda data line and scl clock line are on the pin headers close to the aref pin.

Basic Circuit Diagram Of Arduino Uno R3 Easyeda
Basic Circuit Diagram Of Arduino Uno R3 Easyeda from image.easyeda.com
And the next pic clearly specify the pin diagram of atmega168 ic which is the main thing which controls the working of arduino uno board. Arduino uno reference design usb boot en tm reference designs are provided as is and with all faults. Arduino disclaims all other warranties, express or implied, arduino may make changes to specifications and product descriptions at any time, without notice. To energise the four coils of the stepper motor we are using the digital pins 8,9,10 and 11. On the arduino boards with the r3 layout 10 pinout the sda data line and scl clock line are on the pin headers close to the aref pin. Pighixxx february 1, 2013, 2:02pm #1. See the mapping between arduino pins and atmega328p ports. At the top of the arduino uno board, there.

Following is the schematic diagram of the dc motor interface to arduino uno board.

And today, this can be the primary image: The arduino uno is really a microcontroller board based on the atmega328. At the top of the arduino uno board, there. The board is equipped with sets of digital and analog input/output (i/o) pins that may be interfaced to various expansion boards (shields) and other circuits. Arduino uno is a microcontroller board based on the atmega328p ( datasheet ). The arduino uno is one kind of microcontroller board based on atmega328, and uno is an italian term which means one. The circuit diagram for the arduino stepper motor control project is shown above. Following is the schematic diagram of the dc motor interface to arduino uno board. The power supply of the arduino can be done with the help of an exterior power supply otherwise usb connection. Power supply, analog and digital pins and icsp. This arduino uno pinout diagram reference will hopefully help you get the most out of this board. Also included is the complete schematic diagram of the arduino uno revision 3. The board is equipped with sets of digital and analog input/output (i/o) pins that may be interfaced to various expansion boards (shields) and other circuits.

Aeolusricky april 19, 2021, 2:27pm #1 arduino uno. Schema wiring diagram software arduino full quality besttoo adwiremesh chocaubrac fr.

Comments